Get Images Library Photos and Pictures. Diagram 3 Star Delta Starter Control Wiring Diagram Full Version Hd Quality Wiring Diagram Pearlautomotivesa Armandopodo Fr Wiring Diagram Rangkaian Star Delta Automatis Dan Manual Control Wiring Diagram Star Delta Starter Diagram Star Delta Wiring Diagram Pdf Full Version Hd Quality Diagram Pdf Zendiagramsk Nubiafans It
Hence the motor is subjected to the full voltage of the. A dual starter connects the motor terminals directly to the power supply.
. Control Wiring Diagram Star Delta Starter Star Delta Control Wiring Diagram Images Using Star Delta Motor Control With Circuit Diagrams Turbofuture Technology
Reversing Star Delta Motor Control Wiring Diagram Pdf Star Delta Motor Control Wiring Diagram Pdf Control Circuit Devices For Star Delta Starting Numerical Values For Dol And Reversing Pdf Document
Reversing Star Delta Motor Control Wiring Diagram Pdf Star Delta Motor Control Wiring Diagram Pdf Control Circuit Devices For Star Delta Starting Numerical Values For Dol And Reversing Pdf Document For high load 3 phase induction motor we use the.
. Star delta starter wiring diagram. Star delta control wiring diagram with timer. The most active post in electrical engineering centre blog is star delta starter and star delta motor connectioni received many comments and request for star delta circuit diagram.
Direct online starter animation diagram. In the control wiring diagram all magnetic contactors coils are rated 220 vac. R y b red yellow blue 3 phase linescb general circuit breakermain mai supplyy stard deltac1 c2 c3 contatcors power diagramol over load relayno normally opennc normally closed k1 contactor contactor coil k1no contactor holding coil normally openk1 k2 k3 contators for control diagram.
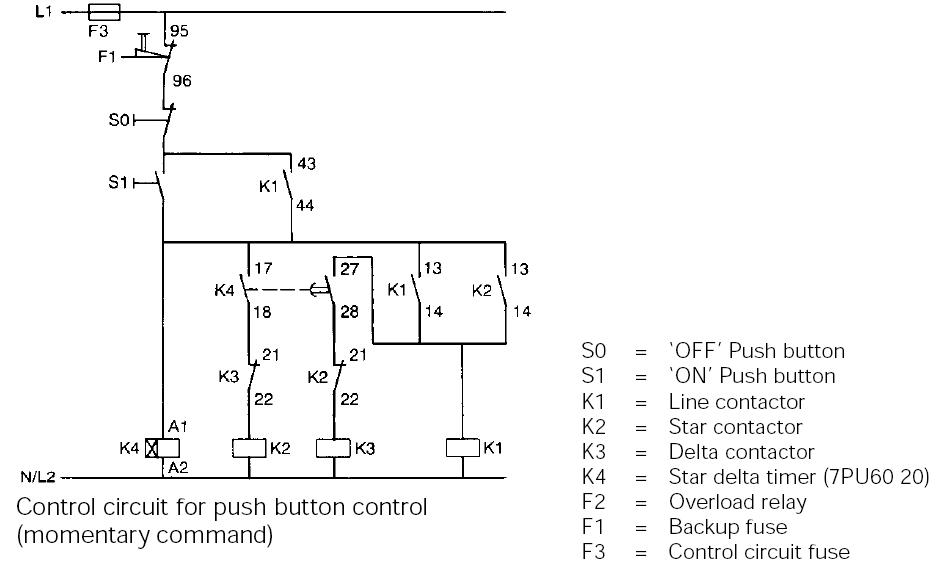
Next the circuit goes through the nc terminals of the thermal over load relay. Automatic star delta starter with timer for 3 phase ac motors. Star delta starter control circuit diagram is todays topic.
All the panel manufacture use this drawing only. Star delta connection diagram and working principle. In this post you will learn complete star delta starter wiring with timer normally open push button switch and normally close push button switch.
If the motor draws more than the rated current the fuses are blow out. Fuses f1 f2 and f3 protects the motor against overload. Power control wiring diagram of star delta starter.
In the above star delta starter control circuit wiring diagram with timer and normally close push buttonnormally open push button switch. As you see in the above star delta starter diagram first an nc push button switch is connected to stop the operation. A 8 pin timer is used.
In this tutorial we will show the star delta y d 3 phase induction ac motor starting method by automatic star delta starter with timer with schematic power control and wiring diagram as well as how star delta starter works and their applications with advantages and disadvantages. When the fault occurs the thermal overload relay will trip the circuit. The on delay timer diagram is also shown in the diagram.
Star delta starter three phase motor connection without timer power control wiring diagrams. In my last post i share a star delta starter wiring diagram 3 phase motor connection. Delta controls has written wiring and installation guidelines to provide its partners with a primary source of recommended practices for wiring power inputs and outputs and networks for delta controls products.
To protect the equipment you are using please read. In control wiring diagram. The main circuit breaker cb q1 serves as the main power supply switch that supplies electricity to the power circuit.
Star delta starter control diagram star delta control wiring control diagram star delta hindi stardeltacontrolcircuit controlcircuit hiii i am aayush. The main circuit breaker q1 connect or disconnect the main three phase supply l1 l2 and l3 to the motor terminal t1 t2 and t3. This symbol identifies a note about a situation where damage to a device will occur if the instructions are not followed carefully.
Diagram Telemecanique Star Delta Starter Wiring Diagram Full Version Hd Quality Wiring Diagram Treediagrams Charpente Ossature Bois Fr
Diagram Remote Control Fan Switch Wiring Diagram Full Version Hd Quality Wiring Diagram Hydradiagrams Laikatv It
Control Wiring Diagram Star Delta Starter
97fd1a 3 Phase Motor Star Delta Starter Circuit Odsolar Ebook Databases
Download Diagram Star Delta Control Wiring Diagram Pdf Full Quality Portablel Kinggo Fr
Wiring Diagram Rangkaian Star Delta Automatis Dan Manual
Star Delta Starter Control Circuit Diagram Star Delta Connection Youtube
Using Star Delta Motor Control With Circuit Diagrams Turbofuture Technology
Download Diagram Star Delta Control Wiring Diagram Pdf Full Quality Portablel Kinggo Fr
Wiring Diagram For A Star Delta Motor
Rf 6027 Delta Control Wiring Diagram Pdf Star Delta Control Wiring Diagram Schematic Wiring
Diagram Telemecanique Star Delta Starter Wiring Diagram Full Version Hd Quality Wiring Diagram Treediagrams Charpente Ossature Bois Fr
Electrical Wiring Diagram Star Delta Control And Power Circuit Using Mitsubishi Plc Program Technovation Technological Innovation And Advanced Industrial Control Technologies
Star Delta Starter Control Circuit Diagram Star Delta Connection Youtube
Star Delta Starter Y D Starter Power Control Wiring Diagram Circuit Diagram Electrical Circuit Diagram Delta Connection
Star Delta Starter Wiring Diagram Norton Wiring Diagram Diagramford Karo Wong Liyo Jeanjaures37 Fr
Star Delta Starter Control Diagram Star Delta Control Wiring Control Diagram Star Delta Hindi Youtube
Control Wiring Diagram Star Delta Starter
Star Delta Starter Y D Starter Power Control Wiring Diagram
10 Star Delta Ideas In 2020 Electrical Circuit Diagram Electrical Diagram Circuit Diagram
Control Wiring Diagram Star Delta Starter
Control Wiring Diagram Star Delta Starter
Control Circuit Of Star Delta Starter Non Stop Engineering Electrical Circuit Diagram Circuit Diagram Single Line Diagram
Using Star Delta Motor Control With Circuit Diagrams Turbofuture Technology

Tidak ada komentar:
Posting Komentar